全国服务热线:
      020-28928806       18102535692

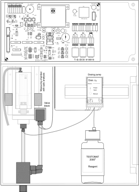
产品介绍 | TESTOMAT ECO® Plus

发表时间:2024-03-15 17:20作者:HEYL Neomeris



TESTOMAT ECO ® Plus


Testomat ECO® Plus 通过特定的滴定法自动确定水的硬度。这台设备适用于监测水处理厂中,水切割,饮用水系统中的水质情况。


功能优势

• 通过 LCD 屏幕显示菜单和操作程序

• 多种硬度测量范围试剂供选择

• 多种硬度单位,°dH,°f,ppm CaCO3,mmol / l

• 使用活塞计量泵进行高精度滴定,30 微升每滴

• 分析启动:

-自动时间间隔分析水质(0-99 分钟)

-通过水流量表设置水流量间隔分析水质

• 可用外部信号停止或开启设备分析

• 2 个独立边界值,并可设置出现多少次坏值时才触发警报

• 监测分析过程和功能失调时的错误信息

• 2 路水样检测

• 试剂容量:100 和 500 毫升/瓶

• 可选模拟信号输出 0/4 - 20 mA ,SD 卡,RS232

• 菜单语言有英语,德语,法语,西班牙语,荷兰语等



技术参数

功率消耗:max. 30 VA

防护等级:I

保护类型:IP 65

环境温度:10–45 °C

水温:10–40 °C

尺寸(宽 x 高 x 深):380 x 480 x 280 mm

重量:约 9,5 kg

工作水压:0,3 至 8 bar / 0,3x105 至 8x105 Pa

0,3* 至 1 bar / 0,3x105 至 1x105 Pa(拆下水压调节阀)

测量范围:0.89-448 ppm


供电电压和订货号:

可选配件订货号:



分享到:
推荐文章
背景介绍在大型商业综合体迈向绿色低碳运营的过程中,中央空调系统产生的冷凝水作为一种温度较低且硬度极低的潜在软水资源,其回收利用价值日益凸显;然而,冷凝水在收集过程中可能受到空气中悬浮污染物或系统管道金属离子溶出的影响,水质存在不确定性,若直接回用至对硬度敏感的冷却塔等系统,可能引发结垢风险,因此需对其关键指标——硬度进行实时、精准的监测,以确保回用安全与效率。应用情况在具体应用中,HEYL硬...
背景介绍在半导体芯片制造中,化学机械抛光(CMP)是实现晶圆全局平坦化的关键工艺步骤,抛光后需使用极高纯度的超纯水彻底清洗晶圆表面,以去除残留的研磨颗粒、化学试剂及微量杂质;若超纯水中存在痕量硬度离子(如钙、镁离子),即使在ppb级别,也可能在后续干燥阶段于晶圆表面形成难以消除的水痕或斑点,这些缺陷会直接影响器件电学性能与多层结构的堆叠精度,从而严重降低芯片的最终良品率,因此对CMP后清洗所...
背景介绍在水产养殖与活鲜流通领域,水质是影响水生生物健康与存活的核心因素,其中水体硬度直接关系到渗透压平衡、生物代谢及甲壳类生物脱壳等生理过程。规模化养殖与活鲜暂养过程中,水源硬度往往存在波动,若硬度过高,会对龙虾、螃蟹等高价甲壳类生物造成生理胁迫,导致活力下降、死亡率升高,从而造成显著的经济损失。因此,对水体硬度进行精准监测与调控,成为实现精细化水质管理、保障养殖与暂养效益的重要技术环节。...
背景介绍工业激光器在切割、焊接等精密加工中发挥着核心作用,其内部光学元件和泵浦源在工作时产生大量热量,必须依靠冷却水循环系统进行高效散热,而冷却水中的钙、镁等硬度离子若含量过高,易在管路及换热表面形成水垢,显著降低热交换效率,导致激光器温度波动,影响出光功率稳定性、光束质量及核心部件寿命,因此对冷却水硬度的持续监测与控制成为保障激光设备可靠运行和加工精度的关键环节。应用情况在实际的高功率工业...
联系邮箱:service@thankung.com
联系电话:020-28928806   传真: 020-37873465
微信公众号
联系微信