全国服务热线:
      020-28928806       18102535692

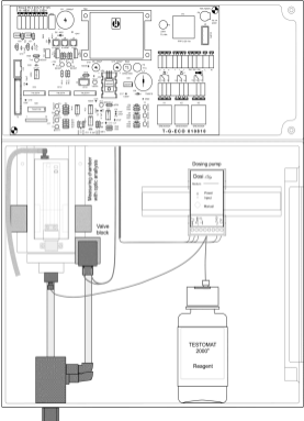
产品介绍 | Testomat ECO®

发表时间:2024-03-20 17:20作者:HEYL Neomeris



Testomat ECO®


Testomat ECO® 通过特定的滴定法自动确定水的硬度。这台设备适用于监测水处理厂,饮用水系统中的水质情况。


功能优势

• LC 屏幕上用两行来显示测量数据和操作菜单

• 多种硬度单位,°dH,°f,ppm CaCO3,mmol / l

• 使用活塞计量泵进行高精度滴定,30 微升每滴

• 可靠且低维护的操作系统

• 少量的试剂消耗和水消耗

• 2 个独立边界值,并可设置出现多少次坏值时才触发警报

• 监测分析过程和功能失调时的错误信息

• 分析启动:

-自动时间间隔分析水质(0-99 分钟)

-通过水流量表设置水流量间隔分析水质

• 可用外部信号停止设备分析

• 试剂容量:100 和 500 毫升/瓶

• 模拟信号输出 0/4 - 20 mA

• 菜单语言有英语,德语,法语,西班牙语,荷兰语等


技术参数

功率消耗:max. 30 VA

防护等级:I

保护类型:IP 65

环境温度:10–45 °C

水温:10–40 °C

尺寸(宽 x 高 x 深):380 x 480 x 280 mm

重量:约 9,0 kg

工作水压:0,3 至 8 bar / 0,3x105 至 8x105 Pa

0,3* 至 1 bar / 0,3x105至 1x105 Pa (拆下水压调节阀)

测量范围:0,89 - 448 ppm

供电电压和订货号:

订货号:
24V/50-60Hz115V/50-60Hz230V/50-60Hz
100112100117100122



分享到:
推荐文章
背景介绍随着数据中心计算密度的不断提升,液冷系统因其高效散热能力被广泛应用于服务器冷却,但冷却液在循环过程中若含有较高硬度离子,容易在精密狭窄的液冷板内形成水垢,导致散热效率下降、系统堵塞甚至设备故障,因此对补水水质的硬度控制成为保障系统可靠运行的关键环节,需要引入实时监测手段以应对这一挑战。应用情况HEYL硬度分析仪被集成到数据中心液冷循环系统的补水单元或旁路监测环节,通过在线方式持续监测...
背景介绍在石油与天然气开采中,采出液经油水分离后产生的回注水需重新注入地层以维持采油压力,但回注水中若硬度控制不当,其中的钙、镁等离子易与地层水或环境发生反应,形成顽固结垢,堵塞油层孔隙和注水管道,从而影响油田生产效率与长期稳产。应用情况HEYL硬度分析仪被集成到油田回注水管道系统中,通过实时在线监测水质硬度参数,为操作人员提供连续、准确的数据反馈。硬度分析仪能够实时在线监测硬度变化趋势,指...
背景介绍海水淡化作为解决全球淡水资源短缺的重要技术,其预处理工艺对保障系统稳定运行至关重要;在海水进入反渗透膜前,需通过化学软化去除硬度离子以防止膜结垢和堵塞,而硬度分析仪的应用能够实时监测水质,为优化预处理控制提供关键数据支撑,从而提升整体工艺的效率和可靠性。应用情况在海水淡化预处理环节,HEYL硬度分析仪被部署于化学软化沉淀池的出水口,用于连续监测水的硬度参数;通过实时反馈数据,该系统能...
背景介绍在汽车制造业的涂装前处理工艺中,车身表面需经过脱脂和磷化等步骤,以去除油污并形成保护层,为后续电泳涂装奠定基础。清洗用水的硬度是影响这一过程的关键因素,高硬度水会导致残留矿物质,在烘干时形成水渍斑点,进而影响漆面附着力与外观质量。因此,实时监测清洗水硬度对于确保涂装前处理的清洁度和一致性至关重要。应用情况HEYL硬度分析仪被集成到车身电泳涂装前的脱脂和磷化后清洗水环节,专门用于在线监...
联系邮箱:service@thankung.com
联系电话:020-28928806   传真: 020-37873465
微信公众号
联系微信