全国服务热线:
      020-28928806       18102535692

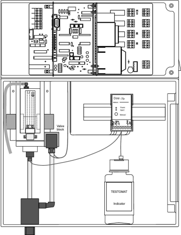
产品介绍 | TESTOMAT® EVO TH

发表时间:2024-03-27 17:20作者:HEYL Neomeris



TESTOMAT ® EVO TH



Testomat ® EVO TH 通过特定的滴定法自动确定水的硬度。这台设备适用于监测水处理厂,饮用水系统,工业锅炉和工业过程水中的水质情况。


功能优势

• 通过光学原件检测测量槽中水质

• 进口和出口的设置(基本编程)与可选的文件名

• 使用集成 SD 卡或可选的 SDHC 存储卡(2GByte)记录测量数据和消息/ 警报

• 通过 SD 卡更新固件

• LCD 图形显示屏

• 简单的多语种菜单切换

• 集成自检和持续监控

• 外部停止/开启设备

• 可自由设置密码

• 自动排除试剂导管中的空气

• 门可以单独更换

• 量程范围内监控(低于**边界值 1 /高于最小边界值 2)

• 可以编程在一定次数缺水情况下设备不报错(针对暂时低水压力情况)


功能简介

• 使用活塞计量泵进行高精度滴定, 30 微升每滴

• 模拟信号输出 0/4 - 20 mA

• 多种硬度单位,°dH,°f,ppm CaCO3,mmol / l

• 2 个独立边界值,并可设置出现多少次坏值时才触发警报

• 分析启动:

- 自动时间间隔分析水质(0-99 分钟)

- 通过水流量表设置水流量间隔 分析水质

• 试剂容量:100 和 500 毫升/瓶


技术参数

供电电压:宽范围电源供应 100-240 VAC,100-353 VDC

功率消耗:max. 30 VA

防护等级:I

保护类型:IP 44

环境温度:10–40 °C

水温:10–40 °C

尺寸(宽 x 高 x 深):380 x 480 x 280 mm

重量:约 9,0 kg

工作水压:0,3 至 8 bar / 0,3x105至 8x105 Pa

0,3* 至 1 bar / 0,3x105 至 1x105 Pa(拆下水压调节阀)

菜单语言:中文,英语,德语,法语,西班牙语,荷兰语,俄罗

斯语等

测量范围:0,89 - 448 ppm

供电电压和订货号:宽范围电源供应 100704   100-240 VAC /   100-353 VDC


可选配件

WLAN SD - 卡 100491

电源按钮 Testomat® 808 /EVO TH 850925




分享到:
推荐文章
背景介绍在大型商业综合体迈向绿色低碳运营的过程中,中央空调系统产生的冷凝水作为一种温度较低且硬度极低的潜在软水资源,其回收利用价值日益凸显;然而,冷凝水在收集过程中可能受到空气中悬浮污染物或系统管道金属离子溶出的影响,水质存在不确定性,若直接回用至对硬度敏感的冷却塔等系统,可能引发结垢风险,因此需对其关键指标——硬度进行实时、精准的监测,以确保回用安全与效率。应用情况在具体应用中,HEYL硬...
背景介绍在半导体芯片制造中,化学机械抛光(CMP)是实现晶圆全局平坦化的关键工艺步骤,抛光后需使用极高纯度的超纯水彻底清洗晶圆表面,以去除残留的研磨颗粒、化学试剂及微量杂质;若超纯水中存在痕量硬度离子(如钙、镁离子),即使在ppb级别,也可能在后续干燥阶段于晶圆表面形成难以消除的水痕或斑点,这些缺陷会直接影响器件电学性能与多层结构的堆叠精度,从而严重降低芯片的最终良品率,因此对CMP后清洗所...
背景介绍在水产养殖与活鲜流通领域,水质是影响水生生物健康与存活的核心因素,其中水体硬度直接关系到渗透压平衡、生物代谢及甲壳类生物脱壳等生理过程。规模化养殖与活鲜暂养过程中,水源硬度往往存在波动,若硬度过高,会对龙虾、螃蟹等高价甲壳类生物造成生理胁迫,导致活力下降、死亡率升高,从而造成显著的经济损失。因此,对水体硬度进行精准监测与调控,成为实现精细化水质管理、保障养殖与暂养效益的重要技术环节。...
背景介绍工业激光器在切割、焊接等精密加工中发挥着核心作用,其内部光学元件和泵浦源在工作时产生大量热量,必须依靠冷却水循环系统进行高效散热,而冷却水中的钙、镁等硬度离子若含量过高,易在管路及换热表面形成水垢,显著降低热交换效率,导致激光器温度波动,影响出光功率稳定性、光束质量及核心部件寿命,因此对冷却水硬度的持续监测与控制成为保障激光设备可靠运行和加工精度的关键环节。应用情况在实际的高功率工业...
联系邮箱:service@thankung.com
联系电话:020-28928806   传真: 020-37873465
微信公众号
联系微信